drilling coulter bar w cultidisc - p100 isobus (cw)
... 18cw02100
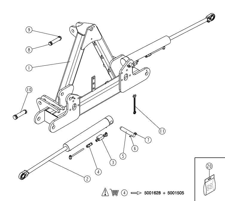
is141301-01
| Marker | Reference | Designation | Retail price Excl. VAT | Status part | Qty |
|---|---|---|---|---|---|
| 1 | 1291474 | CHASSIS CENTRAL AR WT SO | Product discontinued | ||
| 2 | 5101138 | CYLINDER 35/80 C492 | Referenced product | ||
| 3 | 5001505 | VALVE D O 3/8 FOLDING TRW | Available until out of stock | ||
| 4 | 5001507 | FLOW LIMITER VALVE UNID TRW | Product discontinued | ||
| 5 | 3392613 092613 | 992613 | AXE VERIN POUTRE SEMIS TRW 2 | Product discontinued | ||
| 6 | 2214109 | EYE BOLT 10.9 AC ZI W/O WIRES | Referenced product | ||
| 7 | 571461 | HEX NYLON LOCKNUT M10 ZN 8.8 BLIND | Referenced product | ||
| 8 | 6201120 | 3 POINT PINM, CAT 3 | Referenced product | ||
| 9 | 574492 2611201 | CLIPS PIN D10 ZN 6 C FE S 32 | Referenced product | ||
| 10 | 6201127 | BROCHE D ATTELAGE PNT BAS CAT 3 | Referenced product | ||
| 11 | 9801313 | CLE PLATE MIXTE D21 MM | Referenced product | ||
| 20 | 5101140 | CYLINDER 35-80 SEAL PACK | Referenced product |